Hãy để lại thông tin để được tư vấn miễn phí
Ray âm Hafele 433.32.074- 450/ 440/ 455
Trong thế giới nội thất hiện đại, sự tinh tế trong từng chi tiết nhỏ luôn tạo nên sự khác biệt. Ray âm Hafele, đặc biệt là dòng sản phẩm 433.32.074 với các phiên bản 450/ 440/ 455, không chỉ là một phụ kiện chức năng mà còn là biểu tượng của công nghệ tiên tiến và thẩm mỹ tối giản, mang đến trải nghiệm sử dụng mượt mà, bền bỉ và đẳng cấp cho không gian sống của bạn.
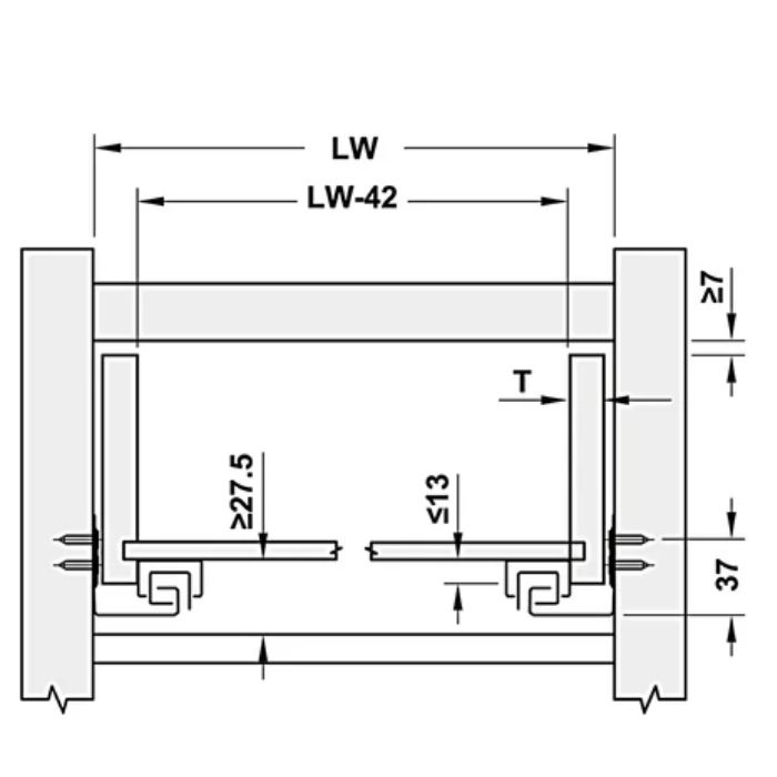
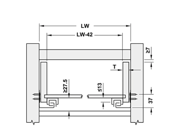
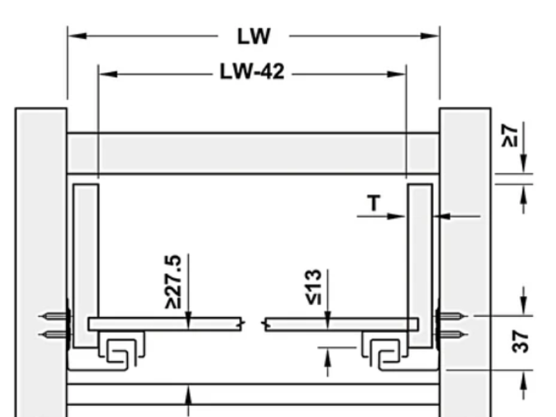
Ray âm Hafele 433.32.074 là dòng sản phẩm ray trượt âm cao cấp, được thiết kế để tối ưu hóa công năng và thẩm mỹ cho các loại tủ, ngăn kéo trong không gian nội thất. Với cam kết về chất lượng và hiệu suất, Hafele đã mang đến một giải pháp vượt trội, đáp ứng mọi yêu cầu khắt khe của người dùng hiện đại. Dòng sản phẩm này bao gồm các mã 450, 440 và 455, mỗi mã có những đặc điểm riêng biệt về chiều dài ray, phù hợp với nhiều kích thước và loại hình lắp đặt khác nhau.
Một trong những yếu tố quan trọng nhất khi lựa chọn ray trượt cho đồ nội thất chính là độ bền. Hiểu rõ điều này, Hafele đã trang bị cho dòng ray âm 433.32.074 công nghệ tiên tiến, đảm bảo khả năng hoạt động ổn định trong suốt thời gian dài. Với chứng nhận đạt tiêu chuẩn DIN EN 15338 Grade 3, dòng ray này được kiểm nghiệm và chứng minh có thể chịu được đến 60,000 lần đóng mở. Con số ấn tượng này tương đương với nhiều năm sử dụng liên tục trong môi trường gia đình hoặc thương mại, mang lại sự yên tâm tuyệt đối cho người sử dụng về tuổi thọ của sản phẩm.
Trải nghiệm người dùng là yếu tố Hafele luôn đặt lên hàng đầu. Dòng ray âm 433.32.074 tích hợp hai tính năng nổi bật: đóng mở đồng bộ và giảm chấn tích hợp. Tính năng đóng mở đồng bộ đảm bảo các ngăn kéo hoặc cánh tủ di chuyển một cách nhẹ nhàng, đều đặn, không bị lệch hay kẹt cứng. Quan trọng hơn, công nghệ giảm chấn tích hợp (soft-close) sẽ tự động hãm lại các chuyển động cuối cùng khi đóng, ngăn chặn tiếng va đập mạnh, bảo vệ đồ đạc bên trong và tạo ra không gian yên tĩnh, thư thái. Điều này đặc biệt quan trọng đối với các ngăn kéo chứa đồ dễ vỡ hoặc trong môi trường yêu cầu sự yên tĩnh tuyệt đối như phòng ngủ, văn phòng.
Việc lắp đặt ray trượt đôi khi gặp khó khăn do sai số nhỏ trong quá trình thi công. Để giải quyết vấn đề này, Hafele 433.32.074 được trang bị khả năng điều chỉnh 3 chiều một cách linh hoạt: lên/xuống 1.5mm, trái/phải 0.5mm và trước/sau ±1.5mm. Khả năng điều chỉnh này cho phép các kỹ thuật viên dễ dàng tinh chỉnh vị trí của cánh tủ hoặc ngăn kéo sau khi lắp đặt, đảm bảo chúng thẳng hàng, khép kín và có khe hở đều nhau. Điều này không chỉ tối ưu hóa chức năng mà còn nâng cao đáng kể tính thẩm mỹ cho toàn bộ hệ thống nội thất.

Chất lượng vật liệu tạo nên tuổi thọ của sản phẩm. Ray âm Hafele 433.32.074 được chế tạo từ thép cao cấp, mang lại sự cứng cáp, chịu lực tốt và khả năng chống biến dạng hiệu quả. Bề mặt ray được hoàn thiện bằng lớp mạ kẽm, giúp tăng cường khả năng chống ăn mòn, chống gỉ sét, ngay cả trong môi trường có độ ẩm cao. Lớp mạ kẽm không chỉ bảo vệ ray khỏi các tác nhân gây hại từ môi trường mà còn mang lại vẻ ngoài sáng bóng, chuyên nghiệp, phù hợp với mọi phong cách nội thất.
Hafele luôn chú trọng đến tính tiện dụng trong thiết kế sản phẩm. Dòng ray âm 433.32.074 sở hữu thiết kế thông minh, cho phép dễ dàng tháo lắp chỉ thông qua bas ray trượt. Điều này giúp quá trình lắp đặt trở nên nhanh chóng, đơn giản, tiết kiệm thời gian và công sức. Ngoài ra, khi cần vệ sinh, bảo trì hoặc thay thế, việc tháo rời các bộ phận cũng trở nên dễ dàng, không đòi hỏi dụng cụ chuyên dụng phức tạp.
Để mang đến sự tiện lợi tối đa cho khách hàng, mỗi bộ ray âm Hafele 433.32.074 đều bao gồm đầy đủ các thành phần cần thiết: 1 cặp ray trượt (cho cánh tủ hoặc ngăn kéo) và 1 cặp bas (phụ kiện để gắn ray vào tủ và cánh). Sản phẩm được đóng gói cẩn thận trong 1 bộ, đảm bảo an toàn trong quá trình vận chuyển và sẵn sàng để lắp đặt ngay khi nhận hàng. Điều này giúp khách hàng tránh được việc phải mua lẻ từng bộ phận, đảm bảo tính tương thích và hiệu suất hoạt động tối ưu.

Với những ưu điểm vượt trội về chất lượng, tính năng và thiết kế, ray âm Hafele 433.32.074 là lựa chọn lý tưởng cho nhiều hạng mục nội thất khác nhau:
Khu vực bếp là nơi diễn ra nhiều hoạt động hàng ngày, đòi hỏi sự bền bỉ và tiện dụng. Ray âm Hafele 433.32.074 hoàn hảo cho các ngăn kéo tủ bếp đựng xoong nồi, bát đĩa, gia vị, hoặc các phụ kiện bếp chuyên dụng khác. Chức năng giảm chấn giúp bảo vệ đồ dùng thủy tinh, gốm sứ khỏi va đập, đồng thời mang lại trải nghiệm đóng mở nhẹ nhàng, êm ái ngay cả khi bạn đang bận rộn.
Trong phòng ngủ, sự yên tĩnh và ngăn nắp là yếu tố quan trọng. Ray âm Hafele 433.32.074 được ứng dụng cho các ngăn kéo đựng quần áo, đồ lót hoặc phụ kiện cá nhân. Khả năng đóng mở êm ái, không gây tiếng ồn của cơ chế giảm chấn sẽ giúp giấc ngủ của bạn không bị gián đoạn. Bên cạnh đó, việc điều chỉnh 3 chiều giúp cánh tủ luôn thẳng hàng, tạo nên một tổng thể nội thất gọn gàng và thẩm mỹ.
Trong môi trường làm việc, hiệu suất và sự chuyên nghiệp là yếu tố hàng đầu. Ray âm Hafele 433.32.074 phù hợp với các hộc tủ hồ sơ, ngăn kéo bàn làm việc, tủ tài liệu, đảm bảo hoạt động trơn tru, bền bỉ theo thời gian. Khả năng chịu tải cao và sự ổn định của ray giúp người dùng dễ dàng lưu trữ và truy cập tài liệu một cách hiệu quả.
Ngoài các không gian chính, ray âm Hafele còn có thể được sử dụng trong nhiều hạng mục nội thất khác như: tủ trưng bày, bàn trang điểm, kệ tivi, hoặc các hệ thống module nội thất tùy chỉnh. Dù là ứng dụng nào, chất lượng và tính năng của sản phẩm đều góp phần nâng tầm giá trị và trải nghiệm sử dụng cho không gian.

Công Ty TNHH XNK TM Hoàng Gia Phát tự hào là nhà phân phối uy tín các sản phẩm phụ kiện nội thất cao cấp, trong đó có dòng ray âm Hafele 433.32.074. Chúng tôi cam kết mang đến cho khách hàng:
Hoàng Gia Phát Home chỉ cung cấp các sản phẩm Hafele chính hãng, nhập khẩu trực tiếp, đảm bảo đầy đủ các tiêu chuẩn chất lượng quốc tế. Chúng tôi hiểu rõ tầm quan trọng của các nguyên vật liệu nội thất và phụ kiện bếp, ván sàn, phụ kiện cửa, hệ thống khóa cửa trong việc hoàn thiện không gian sống, vì vậy luôn lựa chọn những sản phẩm tốt nhất.

Đội ngũ tư vấn viên của chúng tôi có kiến thức chuyên sâu về các loại phụ kiện nội thất, bao gồm cả RAY ÂM. Chúng tôi sẵn sàng lắng nghe nhu cầu của bạn, đưa ra những lời khuyên hữu ích để lựa chọn sản phẩm phù hợp nhất với thiết kế và ngân sách của công trình.
Bên cạnh việc cung cấp sản phẩm, Hoàng Gia Phát Home còn cung cấp dịch vụ tư vấn thi công lắp đặt nội thất. Với đội ngũ kỹ thuật viên lành nghề, chúng tôi đảm bảo việc lắp đặt ray âm Hafele diễn ra nhanh chóng, chính xác, mang lại hiệu quả sử dụng tối ưu và tính thẩm mỹ cao cho công trình của bạn.
Chúng tôi cam kết mang đến dịch vụ chăm sóc bảo hành tốt nhất cho khách hàng. Mọi sản phẩm mua tại Hoàng Gia Phát Home đều đi kèm chế độ bảo hành rõ ràng, giúp bạn an tâm sử dụng.

Để được tư vấn chi tiết và đặt hàng sản phẩm Ray âm Hafele 433.32.074, vui lòng liên hệ với chúng tôi qua các kênh sau:
Công Ty TNHH XNK TM Hoàng Gia Phát
Địa chỉ: 139A Đường 3/2, Phường Bà Rịa, Thành phố Hồ Chí Minh
Hotline: 0926.227.279
Điện thoại: 0926.227.279
Email: hoanggiaphathome@gmail.com
Website: hoanggiaphathome.vn
Hoàng Gia Phát Home – Đối tác tin cậy cho mọi giải pháp nội thất của bạn!
351.000đ
280.800đ
6.590đ
5.272đ
52.000đ
41.600đ
52.000đ
41.600đ
65.900đ
52.720đ
7.020đ
5.616đ
65.900đ
52.720đ
826.000đ
660.800đ
3.413.000đ
2.559.750đ