Hãy để lại thông tin để được tư vấn miễn phí
Ray âm giảm chấn Hafele 433.32.071- 300/ 290/ 305
Trong thế giới nội thất hiện đại, sự tinh tế trong từng chi tiết nhỏ luôn là yếu tố quyết định tạo nên không gian sống đẳng cấp và tiện nghi. Ray âm giảm chấn Hafele 433.32.071, với những tính năng ưu việt và thiết kế thông minh, đã khẳng định vị thế là một giải pháp không thể thiếu cho các hệ thống tủ, cánh cửa, mang đến trải nghiệm đóng mở êm ái, bền bỉ và thẩm mỹ vượt trội. Bài viết này sẽ đi sâu vào phân tích những đặc điểm nổi bật của sản phẩm, lý do nên lựa chọn và ứng dụng thực tế của nó trong các công trình nội thất.
Ray âm giảm chấn Hafele 433.32.071 là một bộ phận quan trọng trong các hệ thống trượt, đặc biệt là cho cánh tủ và các ứng dụng nội thất khác. Sản phẩm được thiết kế để mang lại sự hoạt động mượt mà, êm ái và bền bỉ, đồng thời tích hợp công nghệ giảm chấn tiên tiến, giúp hạn chế tiếng ồn và giảm thiểu va đập khi đóng mở. Với mã sản phẩm đa dạng như 300/290/305, Hafele đáp ứng nhu cầu về kích thước cho nhiều loại tủ và không gian khác nhau.

Một trong những điểm nhấn quan trọng nhất của ray âm giảm chấn Hafele 433.32.071 chính là độ bền ấn tượng. Sản phẩm được thử nghiệm và chứng nhận đạt tới 60,000 lần đóng mở, một con số đáng kể, đảm bảo tuổi thọ lâu dài cho hệ thống nội thất của bạn. Tiêu chuẩn này được kiểm định theo quy định quốc tế nghiêm ngặt, cụ thể là DIN EN 15338 Grade 3. Điều này có nghĩa là sản phẩm không chỉ bền bỉ mà còn đáp ứng các yêu cầu về hiệu suất và an toàn cao nhất cho các ứng dụng nội thất chuyên nghiệp.
Sự hoạt động đồng bộ là yếu tố cốt lõi tạo nên trải nghiệm người dùng tuyệt vời. Ray âm giảm chấn Hafele 433.32.071 được thiết kế để đảm bảo cánh cửa hoặc ngăn kéo di chuyển một cách nhịp nhàng, không bị lệch hay rung lắc. Quan trọng hơn, công nghệ tích hợp giảm chấn mang đến khả năng làm chậm chuyển động của cánh cửa trước khi chạm đến điểm cuối. Điều này không chỉ loại bỏ tiếng ồn khó chịu mà còn bảo vệ các bộ phận khác của tủ, cũng như nội thất xung quanh khỏi những va đập mạnh, đặc biệt quan trọng trong môi trường gia đình có trẻ nhỏ hoặc người lớn tuổi.
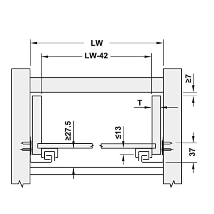
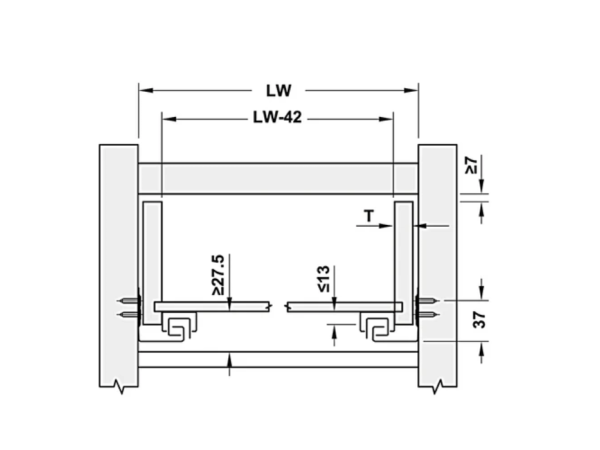
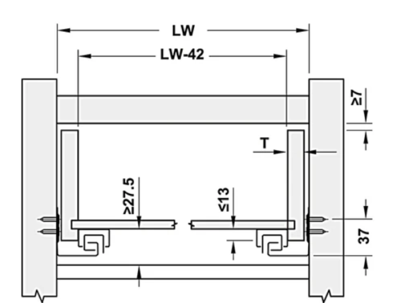
Để đảm bảo sự hoàn hảo về thẩm mỹ và chức năng, Hafele đã trang bị cho sản phẩm tính năng điều chỉnh 3 chiều. Cụ thể, người dùng có thể tinh chỉnh:
Khả năng điều chỉnh đa chiều này giúp các nhà thi công dễ dàng xử lý các sai số nhỏ trong quá trình lắp đặt, mang lại kết quả cuối cùng là những cánh cửa thẳng hàng, đóng mở mượt mà và đẹp mắt.

Ray âm giảm chấn Hafele 433.32.071 được chế tạo từ thép, một loại vật liệu nổi tiếng với độ cứng, độ bền và khả năng chịu lực tốt. Chất liệu thép đảm bảo ray hoạt động ổn định dưới tải trọng của cánh cửa, ngay cả với những cánh cửa có kích thước lớn hoặc trọng lượng nặng. Bề mặt của ray được hoàn thiện bằng phương pháp mạ kẽm. Lớp mạ kẽm không chỉ tăng cường khả năng chống ăn mòn, chống gỉ sét, kéo dài tuổi thọ sản phẩm trong các môi trường ẩm ướt, mà còn mang lại vẻ ngoài sáng bóng, chuyên nghiệp, phù hợp với nhiều phong cách nội thất.
Sự tiện lợi trong lắp đặt luôn là một yếu tố quan trọng được người dùng và các nhà thi công quan tâm. Hafele hiểu điều này và đã thiết kế ray âm giảm chấn với cơ chế dễ dàng tháo lắp thông qua bas ray trượt. Hệ thống bas (bản lề) thông minh cho phép gắn kết ray vào cánh cửa hoặc tủ một cách nhanh chóng và chắc chắn. Khi cần bảo trì hoặc vệ sinh, việc tháo rời cánh cửa cũng trở nên đơn giản hơn bao giờ hết, tiết kiệm thời gian và công sức.
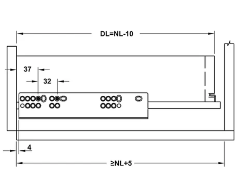
Mỗi bộ sản phẩm ray âm giảm chấn Hafele 433.32.071 đều được đóng gói cẩn thận và bao gồm đầy đủ các thành phần cần thiết cho việc lắp đặt. Trọn bộ sản phẩm bao gồm: 1 cặp ray trượt và 1 cặp bas. Điều này có nghĩa là bạn sẽ nhận được tất cả các bộ phận chính để lắp đặt cho một cánh cửa hoặc một ngăn kéo. Việc đóng gói 1 bộ cho mỗi đơn vị giúp người dùng dễ dàng quản lý số lượng và đảm bảo không thiếu sót phụ kiện trong quá trình thi công.
Với các lựa chọn kích thước 300/290/305 (tính bằng mm), ray âm giảm chấn Hafele 433.32.071 có thể đáp ứng nhu cầu cho đa dạng các loại tủ và cánh cửa khác nhau. Kích thước này cho phép người dùng lựa chọn loại ray phù hợp nhất với chiều sâu của tủ, đảm bảo hiệu suất hoạt động tối ưu và thẩm mỹ hài hòa.
Việc lựa chọn đúng kích thước ray là yếu tố then chốt để đảm bảo hệ thống trượt hoạt động trơn tru và bền bỉ.

Với những ưu điểm vượt trội về độ bền, tính năng giảm chấn, khả năng điều chỉnh và dễ dàng lắp đặt, ray âm giảm chấn Hafele 433.32.071 là sự lựa chọn lý tưởng cho nhiều ứng dụng trong không gian nội thất:
Trong không gian bếp, nơi có tần suất sử dụng các ngăn kéo và cánh tủ cao, ray âm giảm chấn mang lại sự tiện nghi tối đa. Nó giúp các ngăn kéo chứa xoong nồi, bát đĩa, gia vị trượt ra vào nhẹ nhàng, không gây tiếng động, bảo vệ đồ dùng bên trong và tạo cảm giác sang trọng. Khả năng chịu tải cao của ray Hafele cũng đảm bảo hoạt động ổn định ngay cả khi ngăn kéo chứa nhiều vật dụng nặng.
Các loại tủ quần áo, tủ kệ tivi, bàn trang điểm, hay tủ ngăn kéo trong phòng ngủ và phòng khách đều có thể hưởng lợi từ ray âm giảm chấn. Sự êm ái khi đóng mở cánh tủ, đặc biệt là vào ban đêm, giúp duy trì không gian yên tĩnh. Thiết kế âm tủ cũng giữ cho thẩm mỹ tổng thể của đồ nội thất được gọn gàng, tinh tế.
Trong môi trường văn phòng, các hộc tủ hồ sơ, tủ tài liệu, hoặc các hệ thống lưu trữ khác thường xuyên được sử dụng. Ray âm giảm chấn Hafele đảm bảo hoạt động bền bỉ, giảm thiểu tiếng ồn, góp phần tạo nên một không gian làm việc chuyên nghiệp và hiệu quả.
Ngoài ra, ray âm giảm chấn còn có thể được ứng dụng trong các thiết kế nội thất sáng tạo như bàn làm việc có ngăn kéo ẩn, vách ngăn di động, hoặc các hệ thống trưng bày sản phẩm đòi hỏi sự chuyển động mượt mà và thẩm mỹ.

Công Ty TNHH XNK TM Hoàng Gia Phát tự hào là nhà phân phối chính thức các sản phẩm phụ kiện nội thất cao cấp của Hafele tại Việt Nam. Lựa chọn Hoàng Gia Phát để mua sắm ray âm giảm chấn Hafele 433.32.071, quý khách hàng sẽ nhận được:
Hoàng Gia Phát cam kết cung cấp sản phẩm Hafele chính hãng, có nguồn gốc rõ ràng, đảm bảo chất lượng theo tiêu chuẩn quốc tế. Chúng tôi hiểu rằng sự tin cậy và độ bền của phụ kiện nội thất là yếu tố quan trọng hàng đầu, do đó chúng tôi chỉ mang đến những sản phẩm tốt nhất.
Với đội ngũ nhân viên giàu kinh nghiệm trong lĩnh vực thiết bị phụ kiện nội thất, chúng tôi sẵn sàng tư vấn chi tiết về sản phẩm, giải đáp mọi thắc mắc của quý khách hàng. Chúng tôi hỗ trợ bạn lựa chọn loại ray phù hợp nhất với nhu cầu và thiết kế nội thất cụ thể.
Chúng tôi không chỉ cung cấp sản phẩm mà còn mang đến dịch vụ tư vấn thi công lắp đặt nội thất. Đội ngũ kỹ thuật viên của Hoàng Gia Phát có thể hỗ trợ bạn trong quá trình lắp đặt ray âm giảm chấn Hafele, đảm bảo sản phẩm được thi công đúng kỹ thuật, tối ưu hóa hiệu suất và thẩm mỹ.
Chế độ chăm sóc bảo hành tại Hoàng Gia Phát luôn được ưu tiên hàng đầu. Chúng tôi cam kết bảo hành sản phẩm theo đúng quy định của nhà sản xuất, đảm bảo quyền lợi tối đa cho khách hàng. Sự hài lòng của bạn là động lực phát triển của chúng tôi.
Là một trong những đơn vị phân phối thương mại phụ kiện nội thất hàng đầu, Hoàng Gia Phát luôn nỗ lực mang đến mức giá cạnh tranh nhất cho các sản phẩm Hafele. Chúng tôi thường xuyên có các chương trình khuyến mãi hấp dẫn, giúp quý khách hàng tối ưu hóa chi phí đầu tư cho nội thất.

Để được tư vấn chi tiết và đặt mua Ray âm giảm chấn Hafele 433.32.071, vui lòng liên hệ với chúng tôi:
Công Ty TNHH XNK TM Hoàng Gia Phát
Địa chỉ: 139A Đường 3/2, Phường Bà Rịa, Thành phố Hồ Chí Minh
Hotline: 0926.227.279
Điện thoại: 0926.227.279
Email: hoanggiaphathome@gmail.com
Website: hoanggiaphathome.vn
Hoàng Gia Phát – Đồng hành cùng không gian sống hoàn hảo của bạn!
351.000đ
280.800đ
6.590đ
5.272đ
52.000đ
41.600đ
52.000đ
41.600đ
65.900đ
52.720đ
7.020đ
5.616đ
65.900đ
52.720đ
826.000đ
660.800đ
3.413.000đ
2.559.750đ